
產品市場market
產品分類Classify

GTB干式試驗變壓器產品輸入電壓為200V或400V利用電磁感應原理根據需要改變輸入電壓,即可獲得輸出高壓從零伏連續可調到額定的最高值。在作直流耐壓及泄漏電流測試時,只要把高壓硅堆旋裝在高壓輸出端,即可改變輸入電壓,從而獲得不同值的直流高壓輸出。
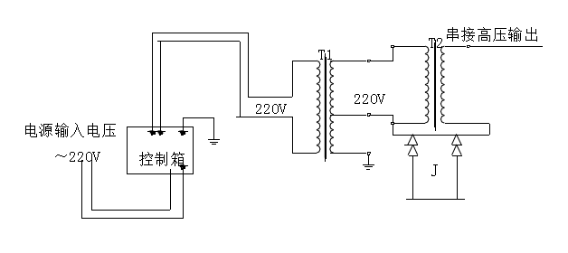
本系列產品的具體工作原理見圖(1),當用作串級使用時,其聯線方式見圖(2)。

圖(1)原理圖

圖(2)聯線方式示意圖
注:1.若干式試驗變壓器上A、B接反,會造成高壓輸出為零(T1+T2=0)將A、B換位即可。
上一篇:變壓器變比組別測試儀主要技術參數